小さなワークに特化した小型シートセパレータ
小型マグネットシートセパレータ

小さくても強力です!いままでスペースの制約でマグネットシートセパレータが使用できなかったような、ワーク供給機などに最適です。
小型でも磁力を有効に使えるように、超強力な希土類磁石を採用し、さらに磁石配列を工夫しています。
チョコ停防止、ダブルブランク防止に役立ちます。
上下微調整機構付き
ワークに合わせて上下に希土類磁石の位置を微調整出来るため、最適位置での分離が可能になります。
本機を使用すれば安定したワーク供給が実現できます!
取付寸法精度を求める装置に
本製品はステンレス(SUS304)の削りだし加工品のため、外形寸法がきっちり出ます。
取り付ける箇所の寸法精度に合わせられます。
設備に合わせた専用設計
テーパーも片側のみついていますが、両側につけることもできます。ワークに合わせた最適な形状をご提案致しております。
是非 お問合せ下さい。
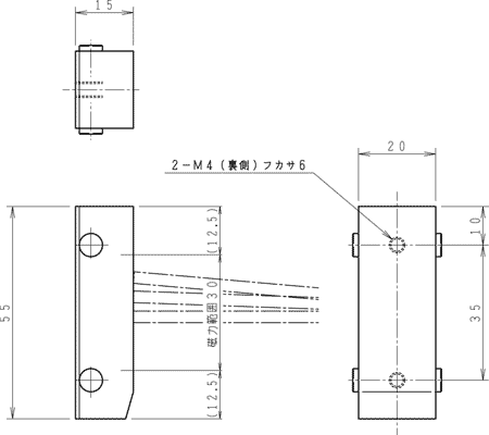
寸法表

ネジ頭などの突起部含まず(単位:mm)
| 型式 | 幅(W) | 高さ(H) | 厚み(L) | 磁力範囲 | 取付ピッチ | 取付穴 | 重量 |
| MGSS-17190-2 | 20 | 55 | 15 | 30 | 35 | 2-M4(深さ6) | 130g |