マグネットリング(MGR型)
粉体中の除鉄に
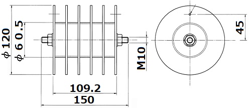
![]() MGR-5 |
粉体製品中の鉄類を分離させるためのマグネットリングです。 簡便型の除鉄用マグネットとして、ベルトコンベア上に吊り下げたり、ホッパー部に吊り下げたりして使用します。 強磁力により、鉄分を確実にとらえます。 |
特注品も対応可能
リング数は6本が標準です。コンベアの幅により2枚からマグネットリングを製作いたします。 希土類磁石入りの強力型、耐熱仕様など特注品も対応可能です。
マグネットリング型式表示


参考CADデータ・ダウンロード
参考データ・ダウンロード:MGR-6
参考データ・ダウンロード:MGR-7
参考データ・ダウンロード:MGR-10
参考データ・ダウンロード:MGR-11


上に戻る